5357ccÀ­Ë¹Î¬¼Ó˹

5357ccÀ­Ë¹Î¬¼Ó˹

5357ccÀ­Ë¹Î¬¼Ó˹¹ÉƱ´úÂ룺300701רעÈÈÊ͵çºìÍâ´«¸ÐÆ÷Ñз¢ÖÆÔì20Äê

ͳһÏúÊÛÈÈÏߣº400-180-3005
Ä¿½ñλÖãºÊ×Ò³>²úÆ·ÖÐÐÄ>ÈÈÊ͵çºìÍâ´«¸ÐÆ÷

NS612

ÈÈÊ͵çºìÍâ´«¸ÐÆ÷

  • ÈÈÊ͵çºìÍâ´«¸ÐÆ÷

  • Êä³ö·½·¨£ºÆéá«µçÆ½Êä³ö

  • ´°¿Ú³ß´ç£º3*4mm

  • ¸ÐÓ¦¾àÀ룺10M£¨Í¸¾µSB-F-02£©²î±ð¾àÀëÏê¼û͸¾µÑ¡ÐÍ

  • ¸ÐÓ¦½Ç¶È£º120¡ã£¨Ë®Æ½Æ«Ïò£©

  • ÊÂÇéµçѹ£º2.2-3.7V

  • ¾²Ì¬¹¦ºÄ£º£¼12uA

NS612ÈÈÊ͵çºìÍâ´«¸ÐÆ÷
NS612ÈÈÊ͵çºìÍâ´«¸ÐÆ÷

²úÆ·¸ÅÊö

NS612Êǽ«Êý×ÖÖÇÄÜ¿ØÖƵç·ÓëÈËÌå̽²âÃô¸ÐÔª¶¼¼¯³ÉÔÚµç´ÅÆÁÕÏÕÖÄÚµÄÈÈÊ͵çºìÍâ´«¸ÐÆ÷¡£¡£ÈËÌå̽²âÃô¸ÐÔª½«¸ÐÓ¦µ½µÄÈËÌåÒÆ¶¯ÐźÅͨ¹ýÍ·¸ß×迹²î·ÖÊäÈëµç·ñîºÏµ½Êý×ÖÖÇÄܼ¯³Éµç·оƬÉÏ£¬£¬Êý×ÖÖÇÄܼ¯³Éµç·½«ÐźÅת»¯³ÉADCÊý×ÖÐźÅ£¬£¬µ±PIRÐźÅÁè¼ÝÑ¡¶¨µÄÊý×Ö·§ÖµÊ±¾Í»áÓÐ׼ʱµÄRELµçƽÊä³ö¡£¡£OENʹÄܶ˿ÉʹRELÊä³ö»òͨ¹ý¹âÕÕ´«¸ÐÆ÷×Ô¶¯¿ØÖÆ¡£¡£Ñ¸ËٶȺÍʱ¼ä²ÎÊý̫ͨ¹ýѹµç×èÉèÖᣡ£ËùÓеÄÐźŴ¦Öóͷ£¶¼ÔÚоƬÉÏÍê³É¡£¡£

²úÆ·ÌØÕ÷

  • Êý×ÖÐźŴ¦Öóͷ£

  • µÍµçѹ¡¢µÍ¹¦ºÄ£¬£¬ÈÈ»úʱ¼ä¶Ì

  • µçÔ´ÒÖÖÆ±È¸ß£¬£¬¿¹É䯵×ÌÈÅ

  • ÌØÊâÄÚÖúìÍâ´«¸ÐÆ÷µÄ¶þ½×°ÍÌØÎÖ˹´øÍ¨Â˲¨Æ÷£¬£¬ÆÁÕÏÆäËüƵÂʵÄÊäÈë×ÌÈÅ

  • ¾ßÓÐѸËÙ¶È¡¢×¼Ê±Ê±¼ä£¬£¬¹âÕÕ´«¸ÐÆ÷Ê©ÃÜÌØRELÊä³ö

  • ׼ʱʱ¼äÄ£ÄâÒ»Á¬¿Éµ÷

  • ÎȹÌÐԺá¢ÓÐÓÃÒÖÖÆÖØ¸´ÎóÐж¯

  • Ó¦Óõç·¼òÆÓ

Êý¾Ý²ÎÊý

1.¼«ÏÞÖµ(Áè¼ÝÏÂÃæ±í¸ñÖÐÊýÖµÔì³ÉÆ÷¼þµÄÓÀÊÀÐÔËð»µ) 

²ÎÁ¿·ûºÅ×îСֵ×î´óÖµµ¥Î»
ÊÂÇéζÈTST-3070¡æ
ÈκÎÒý½Å¼«ÏÞInto-100100MA
´æ´¢Î¶ÈTST-4080¡æ

2.ÊÂÇéÌõ¼þ (T=25¡ãC, Vdd=3V£¬£¬³ýÉÐÓл®¶¨Íâ)

²ÎÁ¿·ûºÅ×îСֵµä·¶Öµ×î´óÖµµ¥Î»±¸×¢
ÊÂÇéµçѹVDD2.733.3V
ÊÂÇéµçÁ÷IDD91215¦ÌA
ѸËÙ¶È·§ÖµVSENS100
1900¦ÌV
̽²â²¨³¤¦Ë5
14um
Êä³öREL
Êä³öµÍµçÁ÷IOL10

MAVOL<1V
Êä³ö¸ßµçÁ÷IOH-10

MAVOH>(VDD-1V)
RELµÄµÍµçƽÊä³öËø×¼Ê±¼äTOL
2
S²»¿Éµ÷
RELµÄ¸ßµçƽÊä³öÑÓʱʱ¼äTOH2
3600S
ÊäÈëSENS/ONTIME
µçѹÊäÈë¹æÄ£
0
VDD1/2Vµ÷Àí¹æÄ£ÔÚ0VºÍVDD1/2¼ä
ÊäÈëÆ«ÖõçÁ÷
-1
1¦ÌA
ʹÄÜOEN
ÊäÈëµÍµçѹ£¨¹Ø±Õ£©VILÔÚ0.4V¡«1.2VÖ®¼äΪ³ÙÖÍÇøÓò
0.4VOENµçѹ¸ßµ½µÍµÄãÐÖµµçƽ
ÊäÈë¸ßµçѹ£¨¿ªÆô£©VIH1.2

VOENµçѹµÍµ½¸ßµÄãÐÖµµçƽ
ÊäÈëµçÁ÷II-1
1¦ÌAVSS<VIN<VDD
Õñµ´Æ÷ºÍÂ˲¨Æ÷





µÍͨÂ˲¨Æ÷×èֹƵÂÊ


7Hz
¸ßͨÂ˲¨Æ÷×èֹƵÂÊ


0.44Hz
оƬÉϵÄÕñµ´Æ÷ƵÂÊFCLK

64KHz

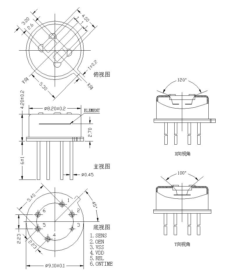
²úÆ·³ß´çͼ

΢ÐÅͼƬ_20220917085938.jpg

×¢ÖØÊÂÏî

  1. ´«¸ÐÆ÷µÄ³ö³§²ÎÊý£¬£¬¾ùÔÚ±ê×¼ºÚÌå¼°Îȹ̲âÊÔÇéÐÎϾ­ÓÉÊý·ÖÖÓÎȹÌʱ¼äºó²âÊÔÈ¡µÃ¡£¡£

  2. ´«¸ÐÆ÷ÐèÁ¬Ïµ·ÆÄù¶û͸¾µÊ¹ÓõִïÀíÏëµÄ¸ÐÓ¦½Ç¶È¼°¸ÐÓ¦¾àÀë¡£¡£

  3. ´«¸ÐÆ÷µÄ¸ÐÓ¦¾àÀëÓëÇéÐÎÎÂʪ¶È¡¢ÊÕÂÞÄ¿µÄµÄζȺÍÒÆ¶¯Æ«Ïò¡¢·ÆÄù¶û͸¾µ¡¢·Å´ó±¶ÊýÉèÖþùÓÐÖ±½Ó¹ØÏµ£¬£¬Ê¹ÓÃʱÇë×ÛºÏ˼Á¿¡£¡£

  4. ´«¸ÐÆ÷ÄÚ²¿Ãô¸ÐÔª¼þ½ÏΪ±¡´à£¬£¬Ê¹ÓÃʱÇëÇáÄÃÇá·Å£¬£¬¸ßƵÕ𾪻òµøÂäײ»÷¿ÉÄܵ¼ÖÂÃô¸ÐÔª¼þ±¬·¢¶ÏÁÑ¡£¡£

  5. ´«¸ÐÆ÷´°¿ÚΪ¹è»ù°ëµ¼ÌåÌØÊâÖÊÁÏÕæ¿Õ¶ÆÄ¤Â˹⾵Ƭ£¬£¬Ê¹ÓÃʱÇëÎðÓÃÊÖ»òÓ²ÎïÖ±½Ó½Ó´¥¡£¡£

  6. ´«¸ÐÆ÷´°¿ÚÑ¡ÐÍ£ºÄ£ÄâÖ±²å˫Ԫ²úÆ·£ºS£º3*4mm£¬£¬B£º3.8*5mm£¬£¬Êý×ÖÖ±²å˫Ԫ²úÆ·£ºS£º3*4mm£¬£¬L£º3.8*5mm£¬£¬M£º4.2*5.2mm,Ö±²åËÄÔª²úÆ·£ºX£º4*4mm£¬£¬Q£º4.9*4.9mm¡£¡£ÏêÇéÇëÓëÓªÒµÔ±Ïàͬ¡£¡£

  7. ´«¸ÐÆ÷ÒýÏß³¤¶ÈÑ¡ÐÍ£ºÍ¨ÀýĬÈÏ13.5mm£¬£¬ÈôÓÐÆäËûÐèÇó¿ÉÏêѯӪҵԱ£¬£¬Ö§³Ö¶¨ÖÆÒýÏß³¤¶È¡£¡£

  8. ´«¸ÐÆ÷ÆäËûÏêϸÐÅÏ¢ÇëÏê¼û²úƷ˵Ã÷Êé¡£¡£

¶©»õ×Éѯ

ÇëÁôÏÂÄúµÄÏà¹ØÐÅÏ¢£¬£¬ÉÔºó»á°²ÅžͽüµØÇøÓªÒµÖ°Ô±ÓëÄúÁªÏµ¡£¡£

»Øµ½¶¥²¿
¡¾ÍøÕ¾µØÍ¼¡¿¡¾sitemap¡¿