ÈÈÊ͵çºìÍâ´«¸ÐÆ÷
Êä³öÐźţºÆéá«µçÆ½Êä³ö
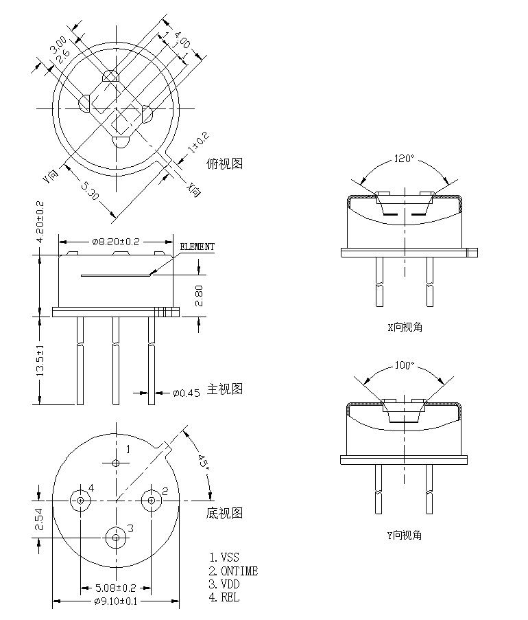
´°¿Ú³ß´ç£º3*4mm
¸ÐÓ¦¾àÀ룺12M£¨Í¸¾µSB-F-02£©²î±ð¾àÀëÏê¼û͸¾µÑ¡ÐÍ
¸ÐÓ¦½Ç¶È£º120¡ã£¨Ë®Æ½Æ«Ïò£©
ÊÂÇéµçѹ£º2.2-3.7V
¾²Ì¬¹¦ºÄ£º£¼12uA
BS412ÊÇÒ»¸ö½«Êý×ÖÖÇÄÜ¿ØÖƵç·ÓëÈËÌå̽²âÃô¸ÐÔª¶¼¼¯³ÉÔÚµç´ÅÆÁÕÏÕÖÄÚµÄÈÈÊ͵çºìÍâ´«¸ÐÆ÷¡£¡£¡£ÈËÌå̽²âÃô¸ÐÔª½«¸ÐÓ¦µ½µÄÈËÌåÒÆ¶¯ÐźÅͨ¹ýÒ»¸öÉõ¸ß×迹²î·ÖÊäÈëµç·ñîºÏµ½Êý×ÖÖÇÄܼ¯³Éµç·оƬÉÏ£¬£¬Êý×ÖÖÇÄܼ¯³Éµç·½«ÐźÅת»¯³ÉÊý×ÖÐźţ¬£¬µ±PIRÐźÅÁè¼ÝÑ¡¶¨µÄÊý×Ö·§ÖµÊ±¾Í»áÓÐÑÓʱµÄRELµçƽÊä³ö¡£¡£¡£Ê±¼ä²ÎÊýͨ¹ýµç×èÉèÖ㬣¬ÓÃÒÔ¿ØÖÆÓõçÆ÷Ò»Á¬ÊÂÇéµÄÑÓʱʱ¼ä¡£¡£¡£ËùÓеÄÐźŴ¦Öóͷ£¶¼ÔÚÒ»¸öоƬÉÏÍê³É¡£¡£¡£
Êý×ÖÐźŴ¦Öóͷ£
µÍµçѹ¡¢µÍ¹¦ºÄ£¬£¬ÈÈ»úʱ¼ä¶Ì
µçÔ´ÒÖÖÆ±È¸ß£¬£¬¿¹É䯵×ÌÈÅ
ÌØÊâÄÚÖúìÍâ´«¸ÐÆ÷µÄ¶þ½×°ÍÌØÎÖ˹´øÍ¨Â˲¨Æ÷£¬£¬ÆÁÕÏÆäËüƵÂʵÄÊäÈë×ÌÈÅ
¾ßÓÐ׼ʱʱ¼ä,²¢Ä£Äâʱ¼äÒ»Á¬¿Éµ÷
ÎȹÌÐԺá¢ÓÐÓÃÒÖÖÆÖØ¸´ÎóÐж¯
Ó¦Óõç·¼òÆÓ
1.¼«ÏÞÖµ £¨Áè¼ÝÏÂÃæ±í¸ñÖÐÊýÖµ¿ÉÄÜÔì³ÉÆ÷¼þµÄÓÀÊÀÐÔË𻵣©
²ÎÁ¿ ·ûºÅ ×îСֵ ×î´óÖµ µ¥Î» ÊÂÇéÎÂ¶È TST -30 70 ¡æ ÈκÎÒý½Å¼«ÏÞ Into -100 100 mA ´æ´¢ÎÂ¶È TST -40 80 ¡æ
2.ÊÂÇéÌõ¼þ(T=25¡ãC, Vdd=3V£¬£¬³ýÉÐÓл®¶¨Íâ)
²úÆ·³ß´çͼ

×¢ÖØÊÂÏî
´«¸ÐÆ÷µÄ³ö³§²ÎÊý£¬£¬¾ùÔÚ±ê×¼ºÚÌå¼°Îȹ̲âÊÔÇéÐÎϾÓÉÊý·ÖÖÓÎȹÌʱ¼äºó²âÊÔÈ¡µÃ¡£¡£¡£
´«¸ÐÆ÷ÐèÁ¬Ïµ·ÆÄù¶û͸¾µÊ¹ÓõִïÀíÏëµÄ¸ÐÓ¦½Ç¶È¼°¸ÐÓ¦¾àÀë¡£¡£¡£
´«¸ÐÆ÷µÄ¸ÐÓ¦¾àÀëÓëÇéÐÎÎÂʪ¶È¡¢ÊÕÂÞÄ¿µÄµÄζȺÍÒÆ¶¯Æ«Ïò¡¢·ÆÄù¶û͸¾µ¡¢·Å´ó±¶ÊýÉèÖþùÓÐÖ±½Ó¹ØÏµ£¬£¬Ê¹ÓÃʱÇë×ÛºÏ˼Á¿¡£¡£¡£
´«¸ÐÆ÷ÄÚ²¿Ãô¸ÐÔª¼þ½ÏΪ±¡´à£¬£¬Ê¹ÓÃʱÇëÇáÄÃÇá·Å£¬£¬¸ßƵÕ𾪻òµøÂäײ»÷¿ÉÄܵ¼ÖÂÃô¸ÐÔª¼þ±¬·¢¶ÏÁÑ¡£¡£¡£
´«¸ÐÆ÷´°¿ÚΪ¹è»ù°ëµ¼ÌåÌØÊâÖÊÁÏÕæ¿Õ¶ÆÄ¤Â˹⾵Ƭ£¬£¬Ê¹ÓÃʱÇëÎðÓÃÊÖ»òÓ²ÎïÖ±½Ó½Ó´¥¡£¡£¡£
´«¸ÐÆ÷´°¿ÚÑ¡ÐÍ£ºÄ£ÄâÖ±²å˫Ԫ²úÆ·£ºS£º3*4mm£¬£¬B£º3.8*5mm£¬£¬Êý×ÖÖ±²å˫Ԫ²úÆ·£ºS£º3*4mm£¬£¬L£º3.8*5mm£¬£¬M£º4.2*5.2mm,Ö±²åËÄÔª²úÆ·£ºX£º4*4mm£¬£¬Q£º4.9*4.9mm¡£¡£¡£ÏêÇéÇëÓëÓªÒµÔ±Ïàͬ¡£¡£¡£
´«¸ÐÆ÷ÒýÏß³¤¶ÈÑ¡ÐÍ£ºÍ¨ÀýĬÈÏ13.5mm£¬£¬ÈôÓÐÆäËûÐèÇó¿ÉÏêѯӪҵԱ£¬£¬Ö§³Ö¶¨ÖÆÒýÏß³¤¶È¡£¡£¡£
´«¸ÐÆ÷ÆäËûÏêϸÐÅÏ¢ÇëÏê¼û²úƷ˵Ã÷Êé¡£¡£¡£