´¿µç×èÖÊÁÏ£¬£¬£¬ÎÞ¼«ÐÔÊä³ö
¿í¹æÄ£Àà±ÈÏßÐÔµç×裬£¬£¬µÍ×èÖµµ¼Í¨£¬£¬£¬¸ß×èÖµ¹Ø±Õ
¼òÆÓµÄµç·½á¹¹ÊʺÏÖ±Á÷ºÍ½»Á÷Ó¦Óó¡ºÏ
ÊäÈëºÍÊä³ö¸ôÀ룬£¬£¬µÍÊ§ÕæñîºÏ
ÏßÐÔ¹âñîÊÇÒ»ÖÖͨ¹ýÊäÈëµçÁ÷µÄת±äÀ´¿ØÖƵç×èת±äµÄ¹âµçÆ÷¼þ¡£¡£¡£ËüÊÇʹÓÃCDSºÍLED°ëµ¼Ì壬£¬£¬¾ÓÉÑÏ¿áµÄÌôÑ¡¡¢ÀÏ»¯¡¢²âÊÔ¶øÖƳɵÄÒ»ÖÖÏßÐÔ¹âµçñîºÏÆ÷¼þ¡£¡£¡£±¾²úÆ·ÊôÓÚµçÁ÷ÊäÈë¿ØÖÆÐÍ£¬£¬£¬´¿µç×èÎÞ¼«ÐÔÊä³ö¿ØÖÆÐÍ¡£¡£¡£
´¿µç×èÖÊÁÏ£¬£¬£¬ÎÞ¼«ÐÔÊä³ö
¿í¹æÄ£Àà±ÈÏßÐÔµç×裬£¬£¬µÍ×èÖµµ¼Í¨£¬£¬£¬¸ß×èÖµ¹Ø±Õ
¼òÆÓµÄµç·½á¹¹ÊʺÏÖ±Á÷ºÍ½»Á÷Ó¦Óó¡ºÏ
ÊäÈëºÍÊä³ö¸ôÀ룬£¬£¬µÍÊ§ÕæñîºÏ
| ÐͺŠ| LCR-0203 |
| ·â×° | ÂÁ¿ÇÔ²ÖùÐÎ |
| ÊäÈëµçÁ÷ | 0¡ª20 mA ,×î´ó40mA |
| ÊäÈëµçѹ | 1.6¡ª2.5 Vdc |
| Êä³öÁÁ×è | 50¦¸-1K¦¸@20mA-0.01mA |
| Êä³ö°µ×è | 1¦¸-10M¦¸@10s off later 1¦¸-10M¦¸,¹Ø¶Ïºó10sµÄÕÉÁ¿ |
| »ØÓ¦Ê±¼ä | <2.5mS |
| ¾øÔµµçѹ | >2500VRMS |
| ÊÂÇ鯵ÂÊ | <300KHz |
| Êä³ö¶ËÄÍѹ | <50V |
| ¶¯ÄܹæÄ£ | <100dB |
| Ö±Á÷ñîºÏµçÈÝ | <5pF |
| ×î´ó¹¦ºÄ | 100mW |
| ÊäÈ뼫ÐÔ±ê¼Ç | LEDÕý¼« |
| ʹÓÃÎÂ¶È | -30¡ª+70¡æ |
| Ô̲ØÎÂ¶È | -40¡ª+80¡æ |
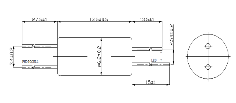
²úÆ·³ß´çͼ
