ÈÈÊ͵çºìÍâ̽²âÆ÷
»ðÑæÌ½²âÆ÷
µ¥Í¨µÀ
TO-39·â×°
¿ª¹ØÁ¿Êä³ö
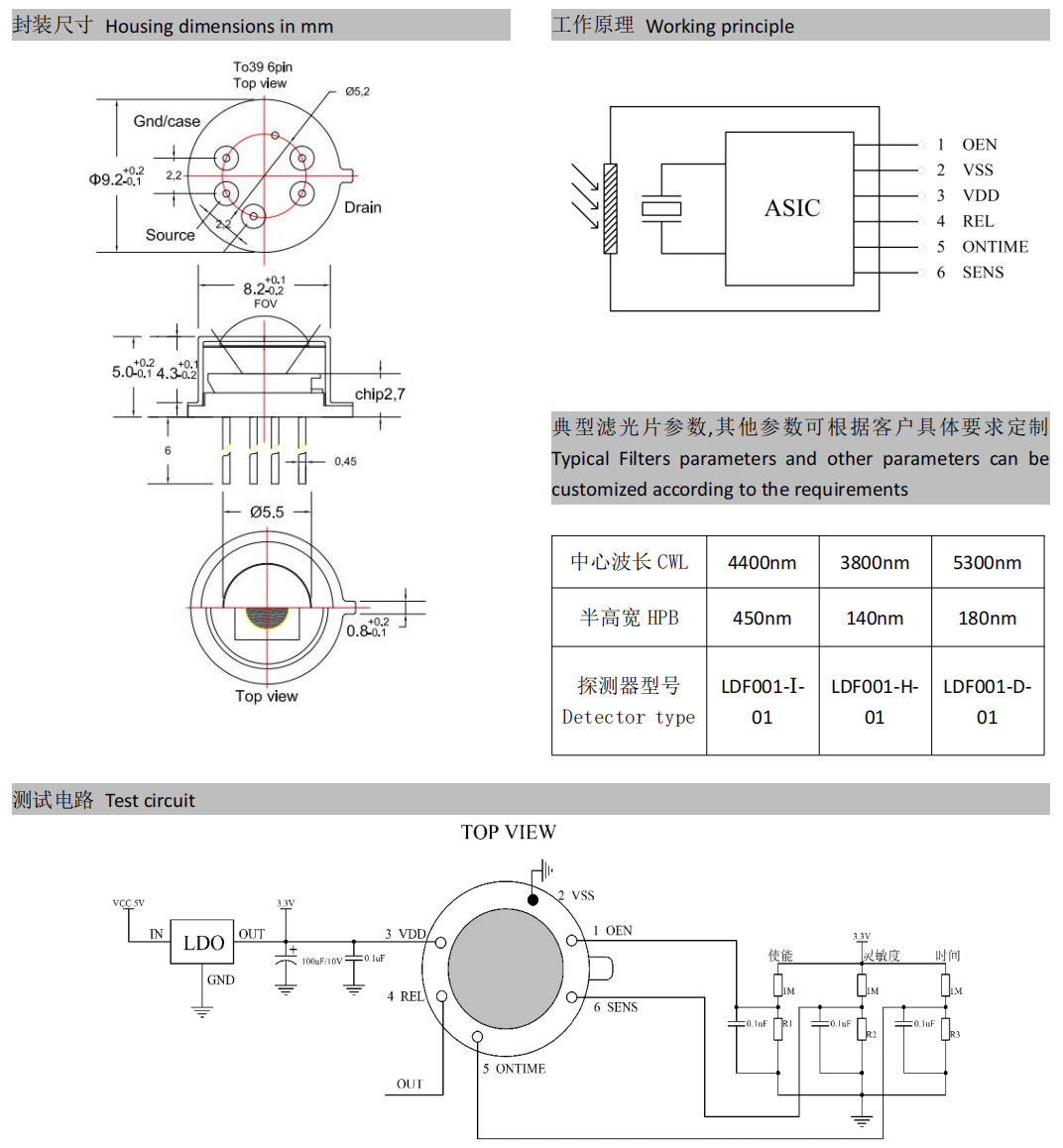
ÐòºÅ ¹Ü½ÅÃû³Æ ¹¦Ð§ ²ÎÊý 1 ONE Êä³öʹÄÜ¶Ë ¸ßµçƽ£¨£¾1.1V£©ÓÐÓ㬣¬£¬£¬µÍµçƽ£¨£¼0.9V£©¼á³ÖÊä³öΪµÍµçƽ 2 VSS µçÔ´µØ 3 VDD µçÔ´3.3V µÍµçƽʱÊäÈëµçÁ÷Ϊ9.5uA 4 REL Êä³ö ÓÐÏìӦʱÊä³ö¸ßµçƽ 5 ONTIME ÑÓʱ¿ØÖÆ ONTIME ¿ÉÑ¡µçѹ£º1/64 vdd¡¢3/64vdd¡¢5/64vdd ¡¢¡¡¡¢31/64vddµÈ16µµµçѹ£¬£¬£¬£¬ÑÓ³Ùʱ¼ä´Ó1.8ÃëÖÁ1Сʱ¹æÄ£¿Éµ÷¡£¡£¡£¡£ 6 SENS ѸËÙ¶È¿ØÖÆ SENS¿ÉÑ¡µçѹ£º1/128vdd¡¢3/128vdd¡¢5/128vdd¡¢¡¡¡¢63/128vddµÈ32µµµçѹ£¬£¬£¬£¬Ì½²â¾àÀë´Ó¼¸Ê®Ã×µ½ÊýÀåÃ×¹æÄ£¿Éµ÷
| ÊÖÒÕÖ¸±ê | ·ûºÅ | µä·¶Öµ | µ¥Î» |
| ´°¿Ú³ß´ç | ¦µ5.5 | mm | |
| Ãô¸ÐÇøÓò³ß´ç | AS | ¦µ2.5 | mm |
| ÊÓ³¡½Ç | FOV | >110 | ¡ã |
| ̽²â¾àÀ루¾Æ¾«»ð 0.1m2£© | L | >30 | m |
